
Metamat
We are a team of researchers specialized in nanosciences and we aim at building new materials with enhanced optical and mechanical properties.
Our expertise span from the synthesis of the nanoproducts and their self-assembly to their structural characterization.
Welcome Sergio!
![]() |
02/01/2026
Sergio Triviño obtained his Bachelor’s Degree in Chemistry from the Complutense University of Madrid (2017–2021). He then earned his Master’s Degree in Chemical Science and Technology from the same institution (2021–2022), where his research focused on the irradiation of gold nanoparticles with ultrashort laser pulses.
In October 2023, Sergio began his PhD under the supervision of Dr. Guillermo González Rubio in the Crystal Lab group at the Complutense University of Madrid. His current doctoral research focuses on the synthesis of multi-metallic nanocrystals, with the aim of developing advanced nanomaterials for catalytic applications.
|
SOLEIL
![]() |
04/02/2026 Just a picture of the group going to the SWING beamline |
Welcome Lan!
![]() |
Dao Phuong Lan earned her Engineering Degree in Chemistry from Hanoi University of Science and Technology, where she specialized in pharmaceutical chemistry. She then shifted her academic focus toward physical chemistry and materials science by joining the Erasmus Mundus SERP+ Master’s Program at Université Paris-Saclay, supported by the IDEX Paris-Saclay scholarship. During her M1 internship at ICMMO, she worked on materials science research involving the fabrication and physicochemical characterization of TiO₂ thin films. Currently, she is completing her M2 internship on the project “Dynamic Stabilization in Light-Responsive Colloidal Assemblies” under the supervision of Prof. Cyrille Hamon and Prof. Marianne Impéror-Clerc, where she explores light-controlled colloidal self-assembly using photoswitchable surfactants to dynamically and reversibly tune interparticle interactions, enabling the formation of reconfigurable nanostructures with tailored optical and plasmonic responses. Her research interests lie at the intersection of chemistry and nanomaterials, particularly focusing on plasmonics, light-driven self-assembly, photochemistry, and the design of adaptive, out-of-equilibrium colloidal metamaterials with tunable structural and optical properties. |
Congratulation to Dr Marcone!
|
24/11/2025 Jules defended his thesis this week and became a Dr. of the University Paris-Saclay after 2h15 of intense discussion with the jury. The jury was composed of: |
Welcome Noemi!
![]() |
03/11/2025 Noemi Ghelardini obtained her Bachelor’s Degree in Chemistry from the University of Florence (2019–2022), where she worked on the development of molecularly imprinted polymers for the detection of TNF-alpha, using Surface Plasmon Resonance (SPR) as the analytical technique. |
Colloidal Tunable Metasurfaces via Depletion-Induced Self-Assembly of Plasmonic Nanorods
![]() |
03/11/2025 Self-assembly offers a scalable approach to creating nanostructures with tunable properties, particularly for plasmonic materials. Conventional self-assembly often produces dense 3D supercrystals, which restrict light and analyte accessibility. By contrast, directing assembly into 2D metasurfaces increases active surface area and promotes collective optical responses, making them highly promising for sensing and photocatalysis. While metasurfaces are typically immobilized on interfaces, here we introduce the concept of “colloidal metasurfaces”, which are liquid-dispersed and reconfigurable assemblies. Specifically, we exploit depletion-induced self-assembly (DISA) to reversibly organize anisotropic plasmonic nanorods (Au@Ag) into colloidal metasurfaces. By tuning the depletion strength, we achieve dimensional control between 2D and 3D arrangements and modulate the compacity of the colloidal assemblies from 21% to 80%. Assemblies of nanorods with different cross sections reveal shape-dependent reconfigurability: pentagonal rods maintain hexagonal lattice symmetry, whereas square rods undergo symmetry shifts from rhombic to square. These colloidal metasurfaces support multiple assembly–disassembly cycles without loss of optical function and enable modulation of Raman scattering through lattice parameter tuning. Together, this work establishes a functional, reconfigurable colloidal platform for plasmonic metasurfaces using shape-directed DISA. |
Faceted 3D Supercrystals for Plasmonic Photocatalysis: Design, Reactivity, and Operando Studies
![]() |
13/10/2025 Solar-driven plasmonic photocatalysis has emerged as a powerful tool to enhance chemical reactivity, improving the efficiency and selectivity in a large number of transformations. Plasmonic nanoparticles are often implemented in photocatalysis as colloidal dispersions but they face issues related to the reduced photoactivation ofthe metallic surface in concentrated solutions and poor longterm colloidal stability. To overcome these limitations, 3D plasmonic supercrystals (SCs) created through the depletion- and evaporation-induced self-assembly of metal nanoparticles as novel heterogeneous plasmonic photocatalysts are introduced. They present large electromagnetic field enhancements associated to the formation of regular arrays of plasmonic hot spots, leading to improved chemical reactivities through the generation of hot charge carriers. To demonstrate this, two challenging organic transformations are chosen, an oxidative polymerization and different C─C cross-coupling reactions, that can be activated by modifying the chemical composition of the assemblies. The anisotropic shapes ofthe building blocks lead to the formation of3D SCs exposing different surfaces. Importantly, by performing operando surface-enhanced Raman spectroscopy at the single SC level, the surface-dependent reactivity ofeach individual plasmonic superstructure is unveiled. The combined experimental and theoretical approach provides with key insights into structure-function correlations and offers guidelines for the rational design of versatile SC photocatalysts. This work has been led by Charlène Brissaud and Miguel Comesana Hermo @ ITODYS (Univ. Paris-Cité). DOI: https://doi.org/10.1002/sstr.202500481 |
Strong and Weak Coupling Nanophysics with Free Electron Beams
![]() |
29/09/2025, new review article The work of Luis M. Liz-Marzán, his colleagues, and other nanochemists has been essential in the emergence of electron spectroscopies for nano-optics applications. After a brief presentation of these techniques and their applications to individual plasmonic nanoparticles, this paper focuses on a short review of the study of the coupling between optical excitations at the nanometer scale, made possible by recent advances in electron spectroscopies. In particular, plasmon–plasmon, plasmon–exciton, and plasmon–phonon couplings are reviewed. Thanks to Mathieu Kociak and the STEM group for having us! https://doi.org/10.1002/adom.202501548
|
Shaping Light with Reconfigurable Chiral Metafluids
![]() |
Researchers have developed a new way to dynamically control circularly polarized light by self-assembling chiral metallic nanoparticles. This result, at the crossroad between physics and chemistry, offers prospects for the synthesis of materials with new functional properties. At the nanoscale, controlling how light interacts with matter opens the door to technologies such as ultra-sensitive chemical sensors, polarization-based optical data storage, and even new catalysts. One powerful approach is plasmonic circular dichroism (PCD): the ability of tiny metallic structures to interact differently with left- and right-circularly polarized light. Two main strategies exist. One is to make nanoparticles that are themselves chiral so that each particle has its own built-in optical activity. The other is to take achiral particles and arrange them into chiral patterns. Both approaches work, but they have evolved largely separately. Only recently have scientists begun to combine them, aiming to create structures where intrinsic chirality and collective arrangement work together to boost optical responses. The challenge is that while researchers can create strong PCD signals, making them tunable and reversible in real time has proven far more difficult. In this work, we assembled fourfold twisted gold nanorods into higher order chiral architectures, amplifying the PCD response by more than two orders of magnitude compared to isolated nanorods. Using a technique called depletion-induced self-assembly (DISA), we exploit surfactant micelles to control how these twisted nanorods come together in solution. Nanoparticles can be assembled and dissassembled multiple times, allowing the chiral optical response to be switched on and off within the same sample. The PCD signal can reach high dissymmetry factors of around 0.2, while also shifting in wavelength in response to structural changes. This collaborative work between the Universities of Vigo and CIC Biomagune in Spain, the University of Antwerp (Belgium) and the University Paris-Saclay demonstrate that DISA offers a versatile route to build reconfigurable chiral nanostructures with tunable optical properties. The ability to reversibly control the structure and PCD response in liquid “metafluids” opens new opportunities for optical modulators and memory devices. While the current switching times of about one hour are too slow for display or computing technologies, this platform provides a new foundation for designing dynamic chiral materials that can actively manipulate the amplitude, frequency and polarization of light. This work has been published in Chemistry of Materials. Reference Tunable Plasmonic Circular Dichroism of Hierarchical Chiral Assemblies Jaime Gabriel Trazo, Andrés Serrano Freijeiro, Mikhail Mychinko, Nika Kutalia, Marianne Impéror-Clerc, Sara Bals, Luis M. Liz-Marzán, Jorge Pérez-Juste, Isabel Pastoriza-Santos, and Cyrille Hamon DOI : 10.1021/acs.chemmater.5c00909
|
From Low Symmetry to High Dissymmetry: Chiral Plasmonic Films of Binary and Nanobipyramid Assemblies
![]() |
27/06/2025 Thin films exhibiting plasmonic circular dichroism (PCD) represent a promising class of materials for technologies based on light processing. However, their potential is limited by the relatively low selectivity of interactions with circularly polarized photons of a given handedness and restricted tunability of the chiroptical properties. This article aims to resolve these problems with two innovations. First, it assembles gold nanobipyramids (NBPs), a promising building block for plasmonics, and arrange them in helical assemblies using a liquid-crystalline (LC) template. By optimizing the organic coating of NBPs, their size, and loading in the thin film, it achieves PCD films with state-of-the-art dissymmetry, g-factor on the order of 10−2. This study unequivocally evidence the properties by Mueller Matrix polarimetry and identify plasmonic coupling between particles as the driving force for the origin of the PCD properties using T-matrix theoretical modeling. Second, spectral and dynamic PCD engineering is achieved by varying particle sizes, co-assembling NBPs with nanospheres, and reversible melting and crystallization of the thin film. Overall, this work unlocks the potential of NBPs and binary assemblies based on NBPs for chiral plasmonics, providing a strategy for thin film materials displaying spectral and temporal PCD response with high dissymmetry factors. Nice collaboration with Wiktor Lewandoswki's lab. See also: https://doi.org/10.1002/adfm.202500933 |
Bridging the Gap between Osmotic and Crystalline Swelling in 2D Layered Materials Using Levitated Dr
![]() |
24/06/2025 The swelling behavior of smectite clay minerals is known to have two distinct regimes. The crystalline swelling involves the incorporation of a few water sheets between clay layers while the osmotic swelling corresponds to the complete delamination of clay layers in a solvent. Although a linear transition between osmotic and crystalline swellings is proposed, a complete description of smectite swelling has never been achieved. Here, acoustic levitation coupled with Small Angle X-ray Scattering (LevSAXS) is proposed to follow the evolution of the interlayer space of a smectite in a single levitated droplet. The advantage is to track fast non-equilibrium phenomena over a wide concentration range, while avoiding anchoring effects during drying. The results reveal a gradual shift from osmotic to crystalline swelling, marked by a transition from a pure nematic glass to a coexistence zone where the nematic phase contracts and a saturated crystalline phase emerges. This transition occurs through a continuous process, forming interstratified structures ultimately progressing to an unsaturated crystalline state. Applied to the emblematic case of clay swelling, LevSAXS opens new perspectives to investigate or reconsider the swelling mechanisms of other low-dimensional 2D materials. This work have been done notably with Claire Hotton and Erwan Paineau from MATRIX group. see also: https://doi.org/10.1002/smll.202505038 |
Matrix pic nic 2025
|
18-06-2025
Today was the traditional annual MATRIX pic nic with the permanent and non-permanent members of the team. On this picture taken on high ground, you can appreciate the large oak tree of the lab. 2nd year PhD students organized this event: Thanks Lucie and Jaime! Next event will be in two weeks but this time with the whole lab. |
Plasmonic Polymorphs by Combining Shape Anisotropy and Soft Interactions in Bipyramid Thin Films
![]() |
02/06/2025 Thin-film plasmonic supercrystals of pentagonal gold nanobipyramids (AuBP) exhibit a diverse range of packing structures that influence the near-field distribution of the enhanced electric field and the far-field response. By varying the molecular weight of the coating ligands, the softness of the anisotropic building blocks is changed. A thorough structural characterization reveals that this affects the resulting superstructures from self-assembly more intricately than with isotropic building blocks. Softer coatings lead to smaller aligned domains in monolayers, while bilayers exhibit more crystalline domains with dominant interlayer twist angles near 0° and 90°. The far-field distribution and near-field response are measured using micro-absorbance and electron energy loss spectroscopy (EELS). Correlating these data with high-resolution transmission electron microscopy (HR-TEM) structural analysis enabled the identification of the longitudinal and transverse individual and collective plasmonic modes. Notably, for large crystalline bilayer domains, a strong polarization-dependent optical response is observed. These features underline the potential of these superstructures for applications in surface-enhanced spectroscopies, plasmonic photocatalysis, and advanced optical manipulation in switchable optical metamaterials. Nice collaboration with self-assembly experts (Florian Schulz), specialists in optics (Stephanie Reich) and electron spectroscopy (Mathieu Kociak). see also: https://doi.org/10.1002/smll.202500389 |
GOLD 2025
|
15/05/2025 The gold 2025 conference in San Sebastian just ended. It was nice to meet with golden people! |
Co-Solvent-Aided Opto-Thermophoretic Printing of Gold Nanorod Assemblies
![]() |
24/04/2025. Nice paper from Hill group! The controlled deposition of plasmonic nanoparticles on solid surfaces is critical for the fabrication of medical diagnostics, devices, and sensors. Despite recent advances in harnessing thermal gradients to achieve controlled deposition of nanoparticles at a laser spot, the deposition of anisotropic gold nanoparticles by this approach is a challenge in aqueous solution. Herein, the use of ethanol as a co-solvent is shown to enable rapid (<10 s) and effective deposition of gold nanorods in the presence of polyvinylpyrrolidone on unmodified glass substrates. The influence of key parameters, including polymer concentration and molecular weight, co-solvent content, nanoparticle concentration, and laser power, is studied. While ethanol content and polymer size have the largest impact on the assembly structure, all have an impact on the assembly growth rate. Polymer size is found to significantly impact the degree of nanorod assembly found in the pattern, which leads to a surface-enhanced Raman scattering enhancement factor up to 108. In summary, this approach utilizes thermal gradients to direct the formation of highly localized plasmonic assemblies without the need of functionalization of the substrate. This simple, fast, and adaptable approach is a promising platform for the scalable patterning of plasmonic nanostructures. Nice collaboration with Eric Hill's group! |
A topological approach to model the form factor of prisms - well done Jules!
![]() |
11/03/2025 Since the morphology of nanoparticles directly influences many of their properties, accurately determining their shape is crucial for targeted applications. In this work, we focus on nanoprisms due to their widespread use and the limitations of direct imaging techniques in accurately describing their polygonal cross section. Specifically, we introduce a new tool for small-angle scattering (SAS) analysis of nanoprisms that requires minimal computation time compared with all-atom simulations and other form factor analyses. A key innovation in this work is the implementation of the Lebedev quadrature for isotropic averaging, which allows for accurate form factor calculations using few sampling points. This form factor model is developed for any n-sided prism and is compared with small-angle X-ray scattering and transmission electron microscopy experimental data for gold and/or silver nanoprisms (n = 3, 4, 5). For small sizes, the nanoprism form factor model is compared with the result obtained with the Debye equation from atomic coordinates, showing a very good agreement. We explore the effects of the aspect ratio and cross-sectional shape of the nanoprisms on the form factor curves and discuss the limitations of our approach. Overall, our method combines precise shape determination with rapid computation time, paving the way for detailed characterization of nanoprisms using SAS techniques, potentially even during their growth. See Marcone et al. Journal of Applied Crystallography: https://doi.org/10.1107/S1600576725000676 |
welcome Sébastien!
01/02/2025
![]() |
I graduated in 2023 from a double bachelor’s degree in Physics and Chemistry, at Université Paris Cité. Following this, I pursued a master’s degree in Chemistry, specializing in Chemistry for Energy and Nanosciences. During my studies, I learned various skills in nanoparticle synthesis and characterization. Thus in 2025, I joined the Matrix team at the LPS for my M2 internship where I am investigating the growth of colloidal crystals through microfluidic channels and studying the kinetics of their self-assembly. My internship is supervised by Dr. Cyrille Hamon, Dr. Marianne Impéror-Clerc and Jaime Gabriel Trazo. |
No need to hit the iron while it’s... small!
![]() |
14/01/2025 Scientists from CNRS have studied the shape evolution of gold nano-tetrapods and revealed a two-step kinetics process: the four arms—initially sharp—quickly blunt, followed by a slow retraction towards an almost spherical final shape. Deforming macroscopic metallic objects requires considerable force. At the nanoscale, however, things are quite different: surface forces alone are often sufficient to reshape nanoparticles, guiding them towards the most energetically favorable form. Understanding this "nano-metallurgy" is crucial not only for advancing fundamental knowledge but also for driving progress in nanotechnology. Yet, the processes involved are challenging to monitor in real-time. A team of researchers from several French and European laboratories [1] recently published a detailed study in Nano Letters on the transformation pathway of metastable gold particles, initially featuring four sharp arms, into nearly spherical particles. Thanks to their well-defined geometry, these "nano-tetrapods" are easier to study than "nanostars," which have similar characteristics but more varied morphologies. By combining electron microscopy, X-ray scattering, optical spectroscopy techniques, and advanced data processing, the researchers uncovered a complex kinetic process. This begins with a rapid flattening of the tips towards a {110} facet of gold’s crystalline lattice, followed by a slower reshaping phase into an isometric form. Beyond the conceptual understanding of their evolution, this study will enable the use of these nano-objects in nonlinear optical applications [2], thanks to their unique shape, which lacks a center of inversion. [1] Damien Alloyeau at Laboratoire Matériaux et Phénomènes Quantiques, (Université Paris Cité/CNRS), le Laboratoire de physique des solides (CNRS/Université de Paris-Saclay), Doru Constantin at l'Institut Charles Sadron (CNRS/Université de Strasbourg) and the European synchrotron ESRF (Grenoble). [2] Jieli Lyu et al., Shape-Controlled Second-Harmonic Scattering from Gold Nanotetrapods, J. Phys. Chem. C 126, 9831-9835 (2022). Reference : Jieli Lyu et al., Two-step reshaping of acicular gold nanoparticles, Nano Letters (2025). DOI: 10.1021/acs.nanolett.4c05601
See also highlight by CNRS Chimie: https://www.inc.cnrs.fr/fr/cnrsinfo/mieux-comprendre-la-nano-metallurgie-pour-faire-progresser-les-technologies |
Depletion-Induced Tunable Assembly of Complementary Platonic Solids
![]() |
13/12/2024 Multicomponent self-assembly has been explored to create novel metamaterials from nanoparticles of different sizes and compositions, but the assembly of nanoparticles with complementary shapes remains rare. Recent binary assemblies were mediated by DNA base pairing or induced by solvent evaporation. Here, we introduce depletion-induced self-assembly (DISA) as a novel approach for constructing tunable binary lattices. In situ structural analysis in the real and the reciprocal spaces demonstrates DISA of a binary mixture of octahedra and tetrahedra into extended supercrystals with Fm m symmetry. The inter-particle distance, adjustable by depletant concentration, offers a versatile method for assembling nanoparticles into ordered structures while they remain dispersed in a liquid phase. We show that DISA can control the packing fraction of such binary supercrystals between φ=0.37 and φ=0.66, much lower than dense packing in the dry state. These findings highlight DISA’s potential for creating complex and highly ordered metamaterials with tailored properties. Long term collaboration with ICS (Strasbourg) and MPQ (Paris) laboratories https://doi.org/10.1021/acs.nanolett.4c04923 |
Anisotropic Thermal Transport in Tunable Self-Assembled Nanocrystal Supercrystals
|
01/12/2024 Realizing tunable functional materials with built-in nanoscale heat flow directionality represents a significant challenge that could advance thermal management strategies. Here we use spatiotemporally resolved thermoreflectance to visualize lateral thermal transport anisotropy in self-assembled supercrystals of anisotropic Au nanocrystals. Correlative electron and thermoreflectance microscopy reveal that nano- to mesoscale heat predominantly flows along the long-axis of the anisotropic nanocrystals, and does so across grain boundaries and curved assemblies while voids disrupt heat flow. We finely control the anisotropy via the aspect ratio of constituent nanorods, and it exceeds the aspect ratio for nanobipyramid supercrystals and certain nanorod arrangements. Finite element simulations and effective medium modeling rationalize the emergent anisotropic behavior in terms of a simple series resistance model, further providing a framework for estimating thermal anisotropy as a function of material and structural parameters. Self-assembly of colloidal nanocrystals promises an interesting route to direct heat flow in a wide range of applications that utilize this important class of materials. Nice collaboration with James Utterback (Sorbonne University) and coworkers from other labs. https://doi.org/10.1021/acsnano.4c12991
|
Elucidating Supercrystal Mechanics and Nanoparticle Size and Shape Effects under High Pressure
![]() |
01/10/2024 Supercrystals, extended lattices of closely packed nanoparticles (NPs), present exciting possibilities for various applications. Under high pressures, typically in the gigapascal (GPa) range, supercrystals undergo significant structural changes, including adjustable inter-particle distances, phase transformations, and the formation of new nanostructures through coalescence. While prior research has focused on ligand engineering's impact on supercrystal mechanical response, the influence of NP shape remains unexplored, especially for NPs larger than 10 nm coated with hydrosoluble ligands. This study examines the effects of NP shape on the mechanical properties of supercrystals using high-pressure small-angle X-ray scattering (HP-SAXS) and focused ion beam-scanning electron microscopy (FIB-SEM) tomography. Notably, supercrystals exhibit higher hardness levels compared to previously reported values for gold supercrystals, attributed to the use of larger nanoparticles. Spherical and tetrahedral NPs rearrange before collapsing under pressure, whereas rods and octahedra coalesce without prior structural rearrangement, likely due to their higher packing fraction. Additionally, anisotropic deformation of NP lattices and sintering does not always correlate with deviatoric stresses. These findings refine the understanding of complex processes governing supercrystal structure under high pressure, opening new avenues for NP engineering and advancing plasmonic applications under extreme conditions. Nice collaborative work! DOI: 10.1002/sstr.202400303 |
First results on the use of accoustic levitation published
![]() |
17/10/2024. See article in open access here: https://onlinelibrary.wiley.com/doi/full/10.1002/admi.202400323 Highlight on the LPS website: https://equipes2.lps.u-psud.fr/matrix/droplet-levitation-for-self-assembly-of-liquid-crystals/ Highlight on SOLEIL website: https://www.synchrotron-soleil.fr/fr/actualites/levitation-de-gouttes-pour-lauto-assemblage-de-cristaux-liquides Evaporation-induced self-assembly (EISA) is a versatile method for generating organized superstructures from colloidal particles, offering diverse design possibilities through the manipulation of colloid size, shape, substrate nature, and environmental conditions. While some work highlighted the potential of EISA to investigate phase transitions of inorganic liquid crystals, the influence of sample environment to determine their phase diagrams is often overlooked. In this work, we compare the self-assembly of lyotropic liquid crystals by EISA on hydrophilic or hydrophobic substrates, and by acoustic levitation (absence of substrate). We focus on imogolite nanotubes, a model colloidal system of 1D charged objects, due to their tunable morphology and rich liquid-crystalline phase behavior. We demonstrate the feasibility to obtain phase transitions in levitating droplets and on hydrophobic substrate, whereas self-assembly was limited on hydrophilic supports. Moreover, the aspect ratio of the nanotubes proves to be a pivotal factor, influencing both transitions and the resulting materials shape and surface. Besides material shaping, acoustic levitation emerges as a promising method for studying phase transitions by EISA, toward the rapid establishment of phase diagrams from diluted to highly concentrated states using a limited volume of sample. |
Jaime won ECIS-Enzo Ferroni Award for Best Oral Presentation in the young researchers category
|
1-6 spetember 2024 Jaime won ECIS-Enzo Ferroni Award for Best Oral Presentation in the young researchers category at ECIS 2024 in Copenhagen. Congratz!
|
Telluride 2024
![]() |
01-05/07/2024 I recently had the pleasure to attend to Telluride 2024 in Biarritz about solution-based nanoparticle synthesis and their application in devices. |
Young Distinguished Scholar Nanophotonic
The 25th of may, we were invited to join an online event organized by colleagues in China. The event was broadcasted on a streaming platform with more than 10000 simultaneous viewers! Cyrille received an award at this occasion. Thanks again for the invitation and the organization.



Recruitment of material scientists for CNRS position in 2024
![]() |
From the 14th of may to the 26th of may, we have listened to 60 presentations from researchers to recruit and promote CNRS scientists in 2024 (section 15). The auditions were in the 5th district at the headquarter of "Société Chimique de France". Thanks to SCF for hosting us during two weeks. The results for these sessions can be consulted there: https://sncs.fr/2024/03/05/concours-cnrs-2024/#S15 |
First barbecue of the year with the MATRIX team!
![]() |
25/04/2024 |
Our latest paper was promoted by CNRS chimie
Our latest paper (DOI : 10.1021/acsnano.3c12799) on prismatic confinement was promoted by CNRS Chimie and LPS:
LPS: https://equipes2.lps.u-psud.fr/matrix/guiding-nanoparticle-assembly-into-complex-structures/
16/04/2024
Prismatic Confinement Induces Tunable Orientation in Plasmonic Supercrystals
![]() |
21/03/2024 Throughout history, scientists have looked to Nature for inspiration and attempted to replicate the intricate complex structures formed by self-assembly. In the context of synthetic supercrystals, achieving such complexity remains a challenge due to the highly symmetric nature of most nanoparticles (NPs). Previous works have shown intricate coupling between the self-assembly of NPs and confinement in templates such as emulsion droplets (spherical confinement) or tubes (cylindrical confinement). This study focuses on the interplay between anisotropic NP shape and tunable “prismatic confinement” leading to the self-assembly of supercrystals in cavities featuring polygonal cross-sections. A multiscale characterization strategy is employed to investigate the orientation and structure of the supercrystals, locally and at the ensemble level. Our findings highlight the role of the mold interface in guiding the growth of distinct crystal domains: each side of the mold directs the formation of a monodomain that extends until it encounters another, leading to the creation of grain boundaries. Computer simulations in smaller prismatic cavities were conducted to predict the effect of increased confinement. Comparison between prismatic confinement and cylindrical confinement shows that flat interfaces are key to orient the growth of supercrystals. This work shows a method of inducing orientation in plasmonic supercrystals and controlling their textural defects, thus offering insight into the design of functional metasurfaces and hierarchical structured devices. See article @ ACS Nano: DOI: 10.1021/acsnano.3c12799 |
Welcome Nika!
![]() |
01/02/2024 I started thinking about chemistry when I participated in international chemistry Olympiad, (ICHO) 48 where I became fascinated about science. Therefore, I studied chemistry at San Diego State University Georgia and obtained bachelor’s degree there. Then, I decided to divert study direction towards physical chemistry and materials science that is why I applied to SERP master program at Université Paris-Saclay. Currently, I am involved in M2 internship in LPS where I work for the project “Templated Colloidal Crystals with Collective Optical or Magnetic Properties” which is supervised by Dr.Cyrille Hamon and Dr.Marianne Imperor-Clerc.
Currently, I am particularly interested in self-assembly of nanoparticles and how to utilize the properties of nanoparticles in the field of plasmonics/photonics and imaging.
|
Cyrille defended his HDR
![]() |
07/09/2023 Cyrille succesfully defended his accredidation to supervize research (HDR). Thanks to jury (from left to right): Stéphane Parola (ENS Lyon) Fabienne Testard (CEA Saclay) Hynd Remita (ICP) David Portehault (LCMCP) Mona Tréguer-Delapierre (ICMCB) Emmanuelle Lacaze (INSP) |
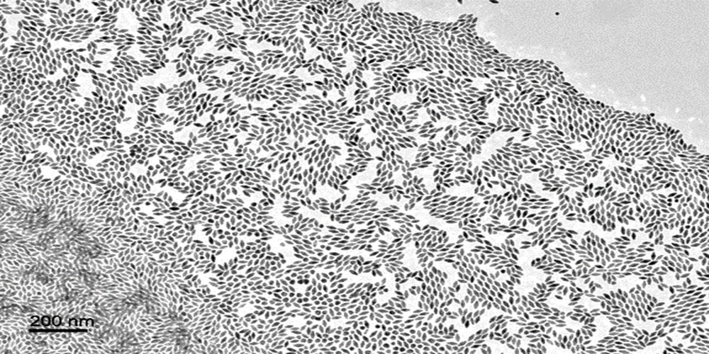
Plasmonic NPs Synthesis by colloidal chemistry
![]() |
Selection of TEM images of Au or Au@Ag NPs with various morphology obtained in the team. The colors distinct series of nanocrystal: gold bipyramids of different size (purple), Au@Ag nanorods of varying shell thickness (red), Au@Ag bipyramids of varying shell length (green). |
Shaping nanomaterials
Construction of nanoscale devices is a crucial step toward the sucess of nanotechnologies in a variety of fields. Although construction by addition of individual building blocks might appear impossible without using nanomachines, it can actually be carried out by simply exploiting the different magnitude of attractive and repulsive interaction forces at the nanoscale. For example, gravity is negligible for nanoparticles, but other forces become dominant and require the nanoparticles to be coated with selected molecules. Thus, one can simply let the solvent evaporate and wait the nanoparticles to organize into ordered structures without any intervention. Such strategy is one of the core of the concept of self-assembly.
Gold and silver nanoparticles
Plasmonic nanoparticles (Au and Ag) have been object of fascination since ancient time for the preparation of stained glass. Such elementary building block are extremly robust and their use in monuments stand the test of time. A not too far example from the laboratory is the "Sainte-Chapelle du Palais" at "l'île de la cité" in Paris (see image, wikipédia). This phenomenon, commonly witnessed by everyone, originates from the plasmonic properties of metallic nanoparticles.

Optical properties of nanoparticles
The strong optical properties of nanoparticles (e.g. plasmonic or semiconducting) can be tuned across the visible to the mid infra-red range by modifying their size and shape. When such nanoparticles are organized in ensembles, collective properties are obtained that differ from those of individual particles and the resulting optical properties can be further tuned and even amplified. In particular, plasmon coupling in small gaps (1–10 nm) between plasmonic nanoparticles results in intense electric fields (i.e.,hot-spots) that can be exploited for many purposes, such as sensing, biomaterials, metamaterials design, switching devices, and so forth.
Use of light to study nanoparticles self assembly
We use UV/Vis spectrometry and X-ray scattering tecniques (SAXS) to study nanoparticles super-structures. The structural study of the material is the first step before understanding its overall properties and considering applications. SAXS is an experimental technique used to study the structural properties of materials and gives information on the size and orientation of the nanoparticles, their arrangement, the characteristic interdistances and the possible long-range organization. In a scattering experiment, ordered phases give diffraction signals that are called Bragg peaks. Analysis of such signals requires adapting standard methods of crystallography to the nanoscale, as the relevant length scale is much larger than the atomic scale. UV/Vis spectrometry is used complementary to measure the collective optical properties. Both techniques can be used in situ to study self assembly's pathways.

Mesoporous materials
A mesoporous material is a material containing pores with diameters between 2 and 50 nm. We are devising materials containing a mesoporous architecture to enhance size and shape selectivity for guest molecules or to template nanoparticles synthesis.

Alumni
Jules Marcone (PhD)
![]() |
Jules Marcone graduated in 2022 from the Paris-Saclay University in 2022 with a Magister of Molecular Physicochemistry, focusing on Inorganic, Physical, and Materials Chemistry. During his study, he developed various skills in characterization methods (SAXS, XRD, SEM, etc.), and also in nanoparticle synthesis and self-assembly.
Jules started his PhD in October 2022 under the supervision of Marianne Impéror-Clerc and Cyrille Hamon at the LPS, on the synthesis and self-assembly of nanoparticles focusing particularly on cobalt nanorods, aiming for collective magnetic properties. He defended in december 2025 and is now working as a post-doc at BC materials (Bilbao, Spain).
|
Sébastien Marchand (M2) 2025
![]() |
I graduated in 2023 from a double bachelor’s degree in Physics and Chemistry, at Université Paris Cité. Following this, I pursued a master’s degree in Chemistry, specializing in Chemistry for Energy and Nanosciences. During my studies, I learned various skills in nanoparticle synthesis and characterization. Thus in 2025, I joined the Matrix team at the LPS for my M2 internship where I am investigating the growth of colloidal crystals through microfluidic channels and studying the kinetics of their self-assembly. My internship is supervised by Dr. Cyrille Hamon, Dr. Marianne Impéror-Clerc and Jaime Gabriel Trazo. He is now doing a PhD at ITODYS (Université Paris-Cité) |
Claire Hotton (post-doc) 2022-2025
![]() |
Claire Hotton obtained her PhD from Sorbonne University under the supervision of Natalie Malikova in PHENIX laboratory. She worked on the structure and properties of hydrogels based on ionene-type cationic polyelectrolytes and clay nanoplatelets.
She is now joining the Laboratoire of Physique des Solides as a postdoctoral researcher with Cyrille Hamon and Erwan Paineau. Currently, her interest focuses on the self-assembly of colloidal liquid crystals by acoustic levitation.
Claire is now doing post-doc at FAST (University Paris-Saclay) and CEA Saclay.
|
Rahul Nag (post-doc) - 2023-2024
![]() |
Rahul Nag obtained his PhD from IIT Bombay under the supervision of Chebrolu Pulla Rao in Bio-Inorganic Chemistry Laboratory. He worked on the surface functionalization of nanostructures by organic conjugates specially calixarenes which involved applications in sensing, cancer cell killing, catalysis. He did a one-year post-doctoral research in CBMN/University of Bordeaux under the supervision of Emilie Pouget in the Chiral Molecular Assemblies Group led by Reiko Oda. He is joined the Laboratoire of Physique des Solides as a postdoctoral researcher with Cyrille Hamon. Currently, his interest focuses on the synthesis of gold nanostructures controlling their shapes and sizes for possible application in non-linear optics. He is now doing a postdoc at ITODYS (Université Paris-Cité) |
Wajdi Chaâbani (post-doc) - 2020-2022
![]() |
Wajdi Chaâbani obtained his Ph.D. from the University of Technology of Troyes (France) and the University of Sciences of Sfax (Sfax, Tunisie) under the supervisions of Jérôme Plain and of Abdallah Chehaidar in July 2019. He was a postdoctoral researcher in IEMN Laboratory (Lille, France) from September 2019 to August 2020. He then joined the Laboratoire de Physique des Solides in Orsay (France) as postdoctoral researcher. Currently, his interest focuses on self-assembling plasmonic nanoparticles in confinement. The nanostructuration will be resolved at the single supercrystal level using an innovative Small Angle X-ray Scattering (SAXS) setup developed on a synchrotron beamline.(SWING, @SOLEIL). He is now doing a postdoc at ITODYS (Université Paris-Cité) |
Jianan Qian (M2) - 2022
![]() |
I obtained my Bachelor of Engineering in Nano Materials and Technology from Soochow University in China. During my undergraduate study, I worked on several projects related to nanoscaled functional materials for energy conversion and storage under the supervision of Prof. Yanguang Li.
I am now the M2 student from Erasmus Mundus Joint Master program: SERP+. Currently, I am working on my thesis project about self-assembly of colloidal liquid crystal in levitation under the supervision of Dr. Cyrille Hamon and Dr. Erwan Paineau. |
Jieli Lyu (PhD) - 2018-2022
![]() |
Jieli Lyu completed her M.S. degree at the Key Laboratory of Applied Surface and Colloid Chemistry of Shaanxi Normal University. She studied under the supervision of Prof. Junxia Peng and Prof. Yu Fang, and her main research topics were (1) synthesis and characterization of amphiliphic compounds; (2) formulation and performances of the emulsions; (3) emulsion-templated preparation of porous materials and their catalytic performance. She started her PhD in october 2018. Her research interest focuses on nanomaterials with a multiscale organization as well as shedding light on the self-assemblies pathways using light scattering techniques. Jieli have now a position at Xi'an University of Technology (China) |
Samantha Roque (M2) - 2021
![]() |
|
Masa Johar (M1)- 2021
![]() |
Masa Johar graduated from An-Najah National University, Palestine (2020), with a bachelor's degree in Applied Chemistry. She joined University of Paris Saclay in September 2020 to start her master's degree within the Chemistry International Track program for two years.
Currently, she is doing her M1 internship on "Colloidal chemistry of plasmonic triangular nanoplatelets" under supervision of Prof. Cyrille Hamon at the Laboratory of Solid Physics (LPS). Her main motivation is to find the best protocol for synthesizing triangular gold nanoparticles.
Finally, she is looking forward to being a highly skilled researcher enthusiastic about supporting advancements in the nanotechnology world, passionate about increasing knowledge to drive growth and needed improvements related to sustainable developments in Energy, Health and Environment.
She is now doing a PhD at Université Paris Saclay
|
Kinanti Aliyah (M2)- 2019
|
|
Kinanti Hantiyana Aliyah earned her Bachelor of Science in Chemistry from Tohoku University, Japan (2017). She worked in Institute for Materials Research for her bachelor thesis, under supervision of Prof. Hitoshi Miyasaka synthesizing novel building blocks for donor-acceptor metal-organic frameworks. Currently, she is in her second-year master Erasmus Mundus Joint Master Degree SERP+, working on thesis project about synthesis and characterization of anisotropic bimetallic nanoparticles in real time under supervision of Dr. Cyrille Hamon and Dr. Doru Constantin. Additionally, believing education should be accessible to all, she co-founded and actively maintains an online-based knowledge-sharing platform for Indonesians (ajarbelajar.com). Kinanti is now doing her PhD at the Paul Scherrer Institut (Switzerland) |
Sergio Triviño
![]() |
Sergio Triviño obtained his Bachelor’s Degree in Chemistry from the Complutense University of Madrid (2017–2021). He then earned his Master’s Degree in Chemical Science and Technology from the same institution (2021–2022), where his research focused on the irradiation of gold nanoparticles with ultrashort laser pulses.
In October 2023, Sergio began his PhD under the supervision of Dr. Guillermo González Rubio in the Crystal Lab group at the Complutense University of Madrid. His current doctoral research focuses on the synthesis of multi-metallic nanocrystals, with the aim of developing advanced nanomaterials for catalytic applications.
|
Phuong Lan Dao
![]() |
Dao Phuong Lan earned her Engineering Degree in Chemistry from Hanoi University of Science and Technology, where she specialized in pharmaceutical chemistry. She then shifted her academic focus toward physical chemistry and materials science by joining the Erasmus Mundus SERP+ Master’s Program at Université Paris-Saclay, supported by the IDEX Paris-Saclay scholarship. During her M1 internship at ICMMO, she worked on materials science research involving the fabrication and physicochemical characterization of TiO₂ thin films. Currently, she is completing her M2 internship on the project “Dynamic Stabilization in Light-Responsive Colloidal Assemblies” under the supervision of Prof. Cyrille Hamon and Prof. Marianne Impéror-Clerc, where she explores light-controlled colloidal self-assembly using photoswitchable surfactants to dynamically and reversibly tune interparticle interactions, enabling the formation of reconfigurable nanostructures with tailored optical and plasmonic responses. Her research interests lie at the intersection of chemistry and nanomaterials, particularly focusing on plasmonics, light-driven self-assembly, photochemistry, and the design of adaptive, out-of-equilibrium colloidal metamaterials with tunable structural and optical properties. |
Noemi Ghelardini
![]() |
Noemi Ghelardini obtained her Bachelor’s Degree in Chemistry from the University of Florence (2019–2022), where she worked on the development of molecularly imprinted polymers for the detection of TNF-alpha, using Surface Plasmon Resonance (SPR) as the analytical technique. |
Nika Kutalia
![]() |
I started thinking about chemistry when I participated in international chemistry Olympiad, (ICHO) 48 where I became fascinated about science. Therefore, I studied chemistry at San Diego State University Georgia and obtained bachelor’s degree there. Then, I decided to divert study direction towards physical chemistry and materials science that is why I applied to SERP master program. Currently, I am involved in M2 internship in LPS where I work for the project “Templated Colloidal Crystals with Collective Optical or Magnetic Properties” which is supervised by Dr.Cyrille Hamon and Dr.Marianne Imperor-Clerc.
Currently, I am particularly interested in self-assembly of nanoparticles and how to utilize the properties of nanoparticles in the field of plasmonics/photonics and imaging. |
Jaime Gabriel Trazo
![]() |
Jaime Gabriel Trazo earned his bachelor degrees in Chemistry and in Materials Science and Engineering at the Ateneo de Manila University (2019, 2020), where he worked on formulating green silver nanoparticle inks for printed electronics and on nanocellulose synthesis, under Dr. Jose Mario Diaz and Dr. Erwin Enriquez. He was also a National Awardee at the BPI-DOST Science Awards 2019 in the Philippines.
He then pursued his master’s degree under the Erasmus Mundus SERP+ Program. For his M2 internship, he joined the Laboratoire de Physique des Solides, where he works on the self-assembly of nanoparticles into supercrystals with collective optical/magnetic properties, under Dr. Cyrille Hamon and Dr. Marianne Impéror-Clerc. He obtained a grant from the ED2-MIB doctoral school to continue the adventure at LPS in PhD. |
Marianne Impéror-Clerc
|
|
Marianne Impéror-Clerc has a permanent position at CNRS as ‘directrice de recherche’. She studied Physics at the ENS de Saint-Cloud (1986-1990) where she passed the ‘aggrégation de Physiques’ (1989) before obtaining her PhD (1992) and HdR ‘Habilitation à diriger des recherches’ (2007) at the Université Paris-Sud in Orsay. Her research is devoted to structural studies of self-assembled systems and her favorite experimental tool is Small Angle Scattering using X-rays or neutrons (SAXS and SANS). For example, for mesoporous materials, the control of the architecture of the porosity allows to optimize transport properties. Main goal is to control the nanostructure during the synthesis of such materials. For this, time-resolved scattering experiments allow to follow in real time the formation of the materials and to elucidate the mechanisms involved. Her research thus lies at the frontier between Soft Matter and Materials Chemistry. She is alos regularly involved in activities about Crystallography for education and the general public (http://www.cristallo2014.u-psud.fr/) |
Team MATRIX
|
|
We are all working in the team MATRIX at the Laboratoire de Physique des Solides (LPS) in Orsay. The LPS is part of the vibrating Paris region fostering interaction with fellow researchers and visiting scientist.
LPS website: https://www2.lps.u-psud.fr/ MATRIX team website: https://equipes2.lps.u-psud.fr/matrix/ |
Cyrille Hamon
|
|
Cyrille Hamon obtained his Ph.D. from the University of Rennes 1 (France) under the supervision of Pascale Even-Hernandez and Valérie Marchi in 2013. He was a postdoctoral fellow in Luis Liz-Marzán laboratory (CIC Biomagune, Spain) from 2014 to 2016. He then joined the laboratories of Gaëlle Charron and Pascal Hersen (MSC, Université Paris 7) from 2016 to 2017. He has been appointed in 2017 with a permanent CNRS position in the Laboratoire de Physique des Solides in Orsay. His current interest focuses on devising new plasmonic architectures for sensing applications. |










































